Mechanical engineering

Macchina abbattimento polveri

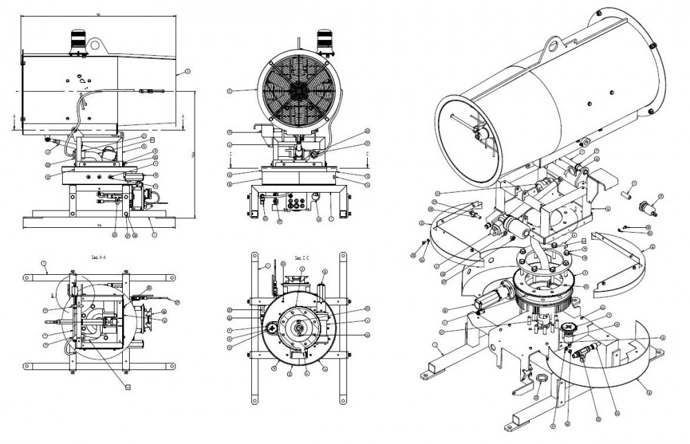
Funzione macchina
Macchina compatta per l’abbattimento di polveri.

Attività svolta
Progettazione meccanica della macchina sulla base di altri prodotti già esistenti.

Cliente
EmiControls
https://www.emicontrols.com/